| 编辑推荐: |
|
本文主要介绍了新能源汽车空调控制逻辑及电路分析相关内容。
希望对你的学习有帮助。
本文来自于微信公众号电车牛,由火龙果软件Linda编辑,推荐。 |
|
新能源汽车空调与传统汽车空调的主要区别在于压缩机的驱动方式不同。传统汽车的空调压缩机通常采用机械式驱动,而新能源汽车的空调压缩机通常采用电动机直接驱动。
新能源汽车空调还可能采用热泵技术,能够同时实现制暖和制冷功能。而传统汽车的空调通常只有制冷功能。
01电动空调系统的组成
纯电动汽车空调系统主要由压缩机、冷凝器、储液干燥器、室外温度传感器、环境及阳光传感器、室内空调主机、空调高压管、空调低压管、空调压力开关、加热器等部分组成。
1、压缩机
装备的压缩机类型为电动涡旋式。

2、冷凝器、储液干燥器
冷凝器安装在发动机舱前部。储液干燥器位于冷凝器的右侧,与冷凝器焊接成一体。

3、室外温度传感器

4、环境光及阳光传感器

5、制冷剂R-134a 与润滑油
车辆使用R-134a制冷剂,制冷剂R-134a 为无毒、阻燃、透明、无色的液化气体。润滑油为专用的MA68EV合成制冷剂润滑油。

6、空调高压管、空调低压管、空调压力开关
车辆采用空调高压管与低压管将空调制冷系统连接成一个密闭的系统,制冷剂与润滑油在这个密闭系统里流动,完成制冷剂的工作循环过程。

7、PTC加热器加热器
安装在车辆前部发动机舱内,由电阻膜和散热元件组成。

8、空调水泵

02空调制冷系统电路分析
空调制冷系统循环回路吉利EV450空调制冷系统与常规空调一样,主要由压缩机、冷凝器、蒸发器、膨胀阀和储液干燥器组成

1、电源和通讯电路

2、鼓风机模块电路

3、空调压缩机控制电路

4、冷暖调节动作器电路

5、风向调节动作器电路

6、AQS传感器和负离子发生器电路

7、蒸发器温度传感器电路

8、室外温度传感器电路

9、循环调节动作器电路

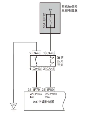
10 、空调压力开关电路

03暖风系统控制电路分析
空调暖风(制热)系统与传统车最大的区别在于,暖风(制热)的热源并非发动机散热系统的暖风水箱,而是一个电加热器(PTC)。此外整套制热系统还包括鼓风机加热器水泵、高压互锁加热器芯体等组成。
当自动空调系统处于加热模式时,加热器在高压电的作用下对冷却液进行加热,高温冷却液被加热器水泵抽入位于蒸发芯体(蒸发器)隔壁的加热器芯。同时,冷暖温度控制电机旋转风道翻板至采暖位置,气流在鼓风机的作用下流过加热器芯,产生热量传递。外部空气在进入乘客舱前,与加热后的空气混合,吹出舒适的暖风。

1、电机水泵电路

2、加热水泵、水冷水泵和PTC加热控制器电路

04通风控制系统工作原理
通风控制系统上的各种位置可使模式阀门通过风道混合或引入冷风、热风和外部空气通过空调系统,气流由风道系统和出风口将空气输送到乘客室。

05工作控制策略
新能源汽车空调系统的控制逻辑:根据驾驶员的操作要求发送A/C信号、鼓风机信号到整车控制器,整车控制器同时接收空调压力开关温度信号,通过can传输系统指令压缩机控制驱动压缩机工作,同时整车控制器也控制风扇运转。
自动控制系统原理是根据各传感器检测到车内的温度、蒸发器温度以及其他有关的开关信号等输出控制信号,控制散热器风扇、冷凝器风扇、电动压缩机、鼓风机电动机的工作状态,实现自动控制车内温度。
制冷剂的工作特效与传统汽车相同:高压液态散热,低压气态吸热。空调制冷的工作参数:低压:0.25 ~0.3MPa,MPa时,低压开关断开;平衡压力:0.6MPa左右。冷却风扇高速运转

|