| 编辑推荐: |
本文主要介绍了OBC系统解决方案概述及拓扑相关内容。希望对你的学习有帮助。
本文来自于微信公众号安森美,由火龙果软件Linda编辑,推荐。 |
|
解决方案概述
用于高压应用 (OBC) 的集成 APM16 模块
该 APM16 系列(APM = 汽车功率模块)采用硅超级结 MOSFET 和硅或碳化硅 二极管技术的组合,为
PFC 级、原边 DCDC 级以及副边整流边提供了多种解决方案。APM16 模块能够支持 400VDC
电池系统。
与分立式解决方案相比,使用 APM16 模块技术的优势在于缩小外形尺寸、改进散热设计、降低杂散电感、减少内部键合电阻、提高电流能力、改善
EMC 性能并提高可靠性。
这些器件符合 IEC-60664-1 标准,可实现高达 VAC 5kV/1sec 的功能性强化隔离。APM16
模块符合 AECQ-101 和 AQG-324(汽车模块标准)。APM16 设计可利用 onsemi
栅极驱动器和电流检测放大器来完善 OBC 功率变换解决方案。
用于高压应用 (OBC) 的集成 APM32 模块
该 APM32 系列 (APM = 汽车功率模块)集成了 1200V 碳化硅器件,可用于 800V
电池系统和更大功率的 OBC。Vienna 整流器模块采用 1200 V 80 mΩ 碳化硅 MOSFET
以及碳化硅二极管和硅二极管。双半桥模块,采用了安装在不同基板上的 1200 V 40 mΩ (80
mΩ) 碳化硅 MOSFET。以下为关于采用 1200V 碳化硅模块的应用说明,以及在电气和热性能以及功率密度方面的优势。
APM 封装技术为内部设计和制造,因此可以更有效地控制热优化(而非像某些竞品那样外包)。onsemi
还提供灵活的封装和制造选项,允许客户购买裸芯片、分立器件或模块。

碳化硅 MOSFET、硅超级结 MOSFET 与 IGBT 的比较
碳化硅 MOSFET 可用于 PFC、原边 DCDC 和副边整流(双向),是800VDC 电池系统中所推荐的产品。该技术可实现相较于
IGBT 或硅超级结 MOSFET 的最高效率和功率密度。 在众多采用碳化硅 MOSFET 的设计中,可能会有混合解决方案,即
OBC 的某些功率级也可能使用 IGBT 或硅超级结 MOSFET。
在 400VDC 电池系统中,如果采用传统的升压型或交错升压型拓扑结构,碳化硅 MOSFET 的效率可提高
0.2% - 0.5%;如果用于原边 DCDC 或副边整流(双向),则可提高功率密度和效率。 当碳化硅
MOSFET 用于效率对降低热负荷至关重要的更高功率等级时,可能会带来更大的效益。
建议对 800VDC 电池系统使用 1200V 碳化硅 MOSFET ,对 400VDC 电池系统使用
650V 碳化硅 MOSFET。 当使用图腾柱 PFC 时,碳化硅 MOSFET 技术是一种适用于任何电池电压的推荐解决方案。

硅超级结 MOSFET可用于 PFC、原边 DCDC 和副边整流(双向)。 在传统的升压、无桥升压和
Vienna 整流器设计中,硅超级结 MOSFET 可很好地实现 PFC,但在图腾柱 PFC 中使用时则效果不佳。硬开关图腾柱
PFC 的劣势体现在体二极管的反向恢复损耗以及无法在连续导通模式下工作。 与 IGBT 相比,硅超级结
MOSFET 具有更高的开关速度和效率。 对于标称电压为 400VDC 的 OBC 电池,650V
硅超级结 MOSFET 非常适合双向设计中的原边整流和副边整流。
IGBT 可用于 PFC 和原边 DCDC。IGBT 没有内置体二极管,需要在内部封装一个二极管或并联一个外部二极管。混合型
IGBT 的封装中包含一个碳化硅二极管。
对于 PFC,IGBT 可用于大多数拓扑结构,且即使“高速”管采用了其他技术,也可用于图腾柱 PFC
的“低速”管。当考虑到原边 DCDC 转换的成本时,IGBT 可用于功率等级较低的设计方案。
与硅超级结 MOSFET 或碳化硅 MOSFET 相较之下,较慢的开关速度和较低的效率将必须在设计的可接受范围之内。IGBT
也可用于低功率等级双向设计中的副边整流,但由于开关损耗较高(与硅超级结或碳化硅 MOSFET 相比),因此并不常用。
硅二极管与碳化硅二极管的比较
硅二极管可用于 400V 电池系统中的 OBC PFC 级和副边整流(单向设计)。碳化硅二极管具有功率密度大、额定电压高、无反向恢复损耗等优点,因此可作为
800V 电池系统的理想选择。碳化硅二极管还可在更低的电压下运行,以提高效率。
栅极驱动器和数字隔离
多种隔离栅极驱动器集成电路解决方案适用于碳化硅 MOSFET (NCV51705 / NCV51561C/D)、IGBT
(NCV57xxx) 和硅超级结 MOSFET(NCV51561A/B、NCV511xx)。不断推出的具有电气隔离能力的栅极驱动器还进一步优化了传播延迟和
CMTI 较高的问题。
隔离策略因客户而异,NCIV9xxx 系列数字隔离器可用于进一步满足通信线路上的这些要求。
各式各样的栅极驱动器评估板组合有助于实现快速原型开发。如需了解任何解决方案中我们的栅极驱动器测试:栅极驱动器即插即用生态系统
[SECO-GDBB-GEVB]

隔离式双通道栅极驱动器 NCV51561

带 NCV1362 控制器的碳化硅辅助电源
辅助电源
反激式 DCDC 拓扑形式的隔离电源可通过 NCV1362 控制器提供隔离电源,然后为 SBC 或分立式
LDO 电源 IC 供电。它可提供 20W 至 40W 的输出功率。对于 12V VBUS 的辅助电源,onsemi
可提供 NCV898031 反激式控制器 IC,其需要搭配光耦解决方案使用。
系统基础芯片 (SBC) 根据客户要求进行优化,可满足客户在通信、功率和特定功能等方面的需求。客户还可从热门应用的标准化
SBC 列表中进行选取。像 NCV7471C 或 NCV745x 这类 SBC 结合了系统电源排序、通信总线接口要求以及可提供
5V 电压轨的内置 DC/DC 转换器等功能。
使用 NCV8170 / NCV816x 或 NCV87xx 等 LDO 可产生额外的电压轨。 为了进一步优化与栅极驱动器有关的噪声问题,NCV3064
控制器可用于为所要求的开关技术生成隔离轨。onsemi 可提供广泛的产品组合,具有低至 4.4uVrms
的极低 RMS 噪声、超过 90dB 的出色 PSRR、极低 Iq 和 150°C 结温额定值。同时做到与市面主流器件封装兼容,并具备电源就绪
(PG) 引脚。
模拟信号链
NCV2191x 或 NCV20xxx 运算放大器可用于电压测量,而 NCV21xR 电流检测放大器可用于高压应用中的低侧电流检测。对于低侧传感应用,共模范围为
-0.3V 至 +26V。若要在负电压侧实现更大的容差范围,则应考虑 NCV7041 系列,其共模输入范围为
-5.0V 至 +80V(增益选项为 14、20、50 和 100)。
NCV225x 比较器与 NVT211 温度传感器和 NCV431 并联电压基准配合使用,可实现对各种系统信息的高精度监测。务必选择具有合适带宽、偏置和所需漂移的放大器。
IVN 和 CAN ESD 保护
onsemi 一直在为车主客户开发 CAN 和 CAN-FD 器件。这些产品已通过所有主要汽车原始设备制造商的认证,可提供面向
LIN、CAN、CAN-FD 和 FlexRay 的完整产品组合。
CAN 和 CAN-FD 收发器(如NCV734x)以及即将推出的 隔离式 CAN 均可供选择。
通信接口线路应采用 SZNUP2124 和 SZNUP2125 等器件,以避免瞬态事件的发生。
机械和散热考量
机械封装限制可能会影响电气元件在高度、重量等方面的选择面。无论是使用空气还是液体冷却,都应将对热管理的考量提升到系统层面。
务必要重视材料和元件封装的选择,以有效协助热管理。请参阅 onsemi APM 应用说明 ,了解更多有关提高热性能的信息。

解决方案概述 - 方框图
用于 400V 电池架构的车载充电器

电动汽车充电的系统级示意图
充电站有三种类别或“等级”。1 级和 2 级充电站可将交流电输送到车载充电器,以适当的输出电流和电压为直流电池充电。3
级充电站是“车外”直流充电站,可绕过车辆的 OBC,直接向车辆电池提供高达 400 A 的高压直流电。

解决方案概述 - 拓扑

功率因数校正 (PFC) 拓扑
典型的 OBC 功率因数校正 (PFC) 解决方案因电网输入交流相数和 OBC 设备的输出功率等级
[kW] 而异。OBC 中的 PFC 有多种不同的解决方案,我们将列出其中最常见的示例。
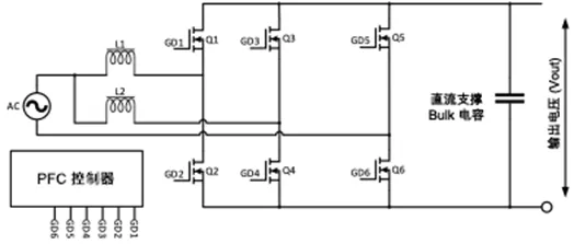
对于单相交流输入 OBC 模块,可采用传统升压、无桥升压或图腾柱(均可选配多通道交错式解决方案)。最可行的交错式解决方案是双通道。3
通道交错也较为可行,但成本效益可能较低。 如果设计是双向的,则 PFC 级将采用图腾柱拓扑结构。
对于 3 相 OBC 模块,可采用 Vienna 整流器和 3 或 4 桥臂桥式 PFC(图腾柱)拓扑结构。3
相全桥 PFC 适用于有 3 相输入但无中性点的模块,而 4 桥臂 PFC 则有 3 相输入(3 组快管)和一个中性点(第
4 组“慢”管)。快管和慢管可在不同的频率下相互切换。如果设计是双向的,则最具成本效益的 PFC 级将是图腾柱拓扑结构。


传统升压 PFC
功率因数校正 (PFC) 拓扑(续)

传统升压 2 通道交错式 PFC

无桥升压 PFC

图腾柱 PFC

图腾柱 2 通道交错式 PFC

3 或 4 桥臂/图腾柱 PFC

Vienna 整流器 PFC(或其他拓扑)
原边 DCDC 拓扑
原边 DCDC 转换通常采用 LLC、CLLC 或移相全桥 (PSFB) 拓扑实现。 另一个可能会出现的拓扑是双有源电桥
(DAB),但它实际上包括原边和副边整流,用于双向设计。 对单向系统来说最常见的解决方案是 LLC,而双向系统则是
CLLC。 某些双向设计可能使用 PSFB 或其他拓扑。碳化硅 MOSFET 和硅超级结 MOSFET
可用于原边整流的所有不同场景,但 IGBT 仅推荐用于 PSFB 拓扑。制定每种解决方案时都需要在成本与效益之间进行权衡,下表总结了其中一些考量因素。
对于 400VDC 系统,设计方案中可采用任何 650V 技术(硅超级结 MOSFET、碳化硅 MOSFET、IGBT)。OBC
的成本和效率目标是影响决策的主要因素。
对于 800VDC 系统,1200V 碳化硅 MOSFET 最为常见,但如果 VBUS 是多电平结构(400VDC
+ 400VDC),也可使用硅超级结 MOSFET。
无论采用哪种方法(LLC、CLLC、PSFB、DAB),原边整流几乎都采用某种形式的全桥开关。因此,虽然元件和变压器可能有所不同,但
4 开关是原边 DCDC 转换中最常见的方法。

原边整流拓扑

原边整流 - 全桥 LLC
注意:还有其他控制拓扑结构,但原边上普遍要求全桥。
副边整流拓扑
在变压器的副边,最简单的解决方案是使用二极管桥进行整流。 只要设计是单向的(仅从电网到车辆)就可行。根据所需的系统效率、输出电压和系统成本,这些二极管可以是硅二极管或碳化硅二极管。
碳化硅二极管是 800V 电池或需要实现更高效率的系统的最佳选择(碳化硅二极管具有无反向恢复的特性)。
在单向设计中,使用硅或碳化硅 MOSFET 的全桥解决方案可提高系统效率,但运行成本较高。
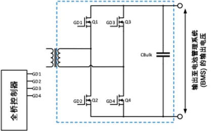
对于双向 OBC 设计:双向功能需要采用硅或碳化硅 MOSFET 全桥。IGBT 开关损耗通常会阻碍这种技术在副边(更高功率等级)的应用。
硅 MOSFET 可用于 400V 电池系统,但在低负载时会出现效率下降的问题。 碳化硅 MOSFET
在 400VDC(650V 碳化硅 MOSFET)和 800VDC(1200V 碳化硅 MOSFET)电池系统中均能提供优越的效率,因此
1200V 碳化硅 MOSFET 毫无疑问是 800VDC 电池系统的首选。

副边整流拓扑结构(续)

副边整流二极管桥 - 仅单向(电网至车辆)

副边整流 4 开关全桥 - 双向(电网至车辆和车辆至电网) |